Регулятор соотношения газ/воздух с двумя эл.магнитными клапанами VCG 3E50R/50R05NGEWR3/PPPP/PPZS

Стоимость товара
343144 руб.
Описание товара
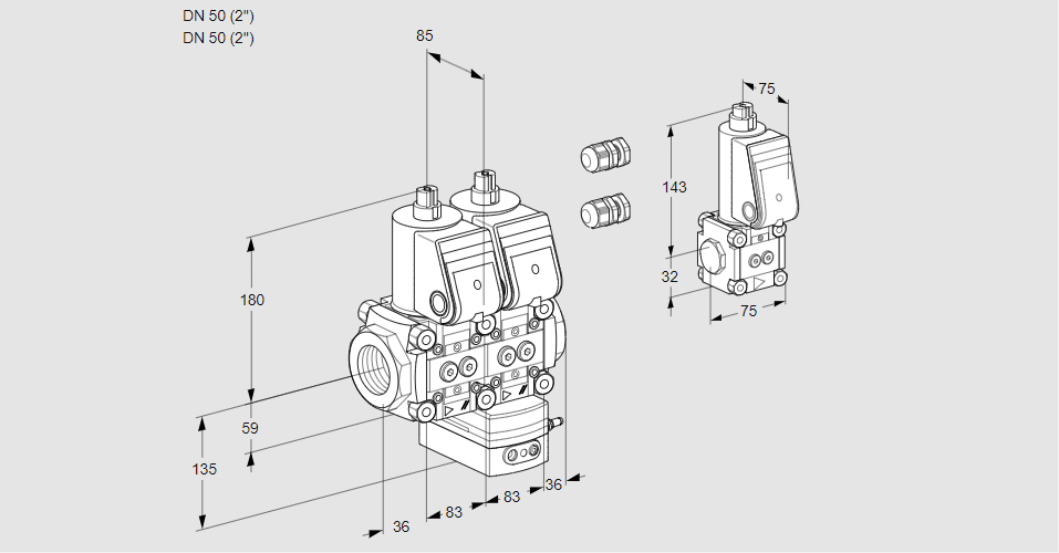
88103525, ВКГ 3Е50Р/50Р05НГЭВР3/ПППП/ППЗС Тип: Регулятор соотношения воздух/газ с двумя электромагнитными клапанами Для газа, воздуха и метана биологического происхождения, с контрольной лампой, IP 65, полностью собран и проверен на герметичность. 3 Размер Сертификация: Сертифицирован ЕС Вход: Ду 50 (2 дюйма) Соединение впускной трубы: внутренняя резьба Rp. Выход: Ду 50 (2 дюйма) Соединение выпускной трубы: внутренняя резьба Rp. Давление на входе: pu макс. 500 мбар (7 фунтов на квадратный дюйм, ман.) Модуль 1: 1-й клапан быстрого открытия, быстрого закрытия. Модуль 2: 2-й клапан с регулировкой соотношения воздух/газ, подключение для управления давлением воздуха: компрессионный фитинг Напряжение сети: 230 В~, 50/60 Гц Поток: слева направо Электрическое подключение: кабельный ввод M20. Электрическое подключение 2-го клапана: кабельный ввод M20. Материал подключения: Закрытый Принадлежности для первого клапана со стороны обзора: 2 резьбовые заглушки. Принадлежности для второго клапана со стороны обзора: 2 резьбовые заглушки. Принадлежности для первого клапана на задней стороне: 2 резьбовые заглушки. Аксессуары для второго клапана сзади: Пилотный газовый клапан VAS 1. Байпасное отверстие: 10 мм Байпасный клапан: выходной фланец DN 15 Трубное соединение перепускного клапана: внутренняя резьба Rp. Состоящий из: 88000380 88030117 88003689 Код товара: 84814090 Страна происхождения: DE 88103525, VCG 3E50R/50R05NGEWR3/PPPP/PPZS Type: Air/gas ratio control with two solenoid valves For gas, air and biologically produced methane, with pilot lamp, IP 65, completely assembled and checked for tightness Size: 3 Certification: EU certified Inlet: DN 50 (2'') Inlet pipe connection: Rp internal thread Outlet: DN 50 (2'') Outlet pipe connection: Rp internal thread Inlet pressure: pu max. 500 mbar (7 psig) Module 1: 1st valve quick opening, quick closing Module 2: 2nd valve with air/gas ratio control, connection for air control pressure: compression fitting Mains voltage: 230 V~, 50/60 Hz Flow: From left to right Electrical connection: M20 cable gland Electrical connection of 2nd valve: M20 cable gland Connection material: Enclosed 1st valve accessories on viewing side: 2 screw plugs 2nd valve accessories on viewing side: 2 screw plugs 1st valve accessories on rear side: 2 screw plugs 2nd valve accessories on rear side: Pilot gas valve VAS 1 Bypass orifice: 10 mm Bypass valve: DN 15 outlet flange Bypass valve pipe connection: Rp internal thread Consisting of: 88000380 88030117 88003689 Commodity code: 84814090 Country of origin: DE
Технические характеристики

Производитель: Kromschröder
Артикул: 88103525