Регулятор соотношения газ/воздух с двумя эл.магнитными клапанами VCG 2E40R/40R05NGEWR/2--3/PPZS

Стоимость товара
304854 руб.
Описание товара
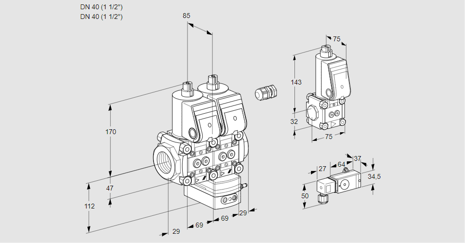
88109356, ВКГ 2E40R/40R05NGEWR/2--3/ППЗС Тип: Регулятор соотношения воздух/газ с двумя электромагнитными клапанами Для газа, воздуха и метана биологического происхождения, с контрольной лампой, IP 65, полностью собран и проверен на герметичность. Размер: 2 Сертификация: Сертифицирован ЕС Вход: DN 40 (1 1/2 дюйма) Соединение впускной трубы: внутренняя резьба Rp. Выход: DN 40 (1 1/2 дюйма) Соединение выпускной трубы: внутренняя резьба Rp. Давление на входе: pu макс. 500 мбар (7 фунтов на квадратный дюйм, ман.) Модуль 1: 1-й клапан быстрого открытия, быстрого закрытия. Модуль 2: 2-й клапан с регулировкой соотношения воздух/газ, подключение для управления давлением воздуха: компрессионный фитинг Напряжение сети: 230 В~, 50/60 Гц Поток: слева направо Соединительные коробки: электрически подключены Электрическое подключение: кабельный ввод M20. Материал соединения: Встроенное Принадлежности для первого клапана со стороны обзора: Реле давления DG 40VC. Точка проверки реле давления на 1-й стороне обзора клапана: Входное давление Принадлежности для второго клапана со стороны обзора: Реле давления DG 110VC. Точка проверки реле давления на 2-й стороне клапана: Выходное давление Принадлежности для первого клапана на задней стороне: 2 резьбовые заглушки. Аксессуары для второго клапана сзади: Пилотный газовый клапан VAS 1. Байпасное отверстие: 5 мм Байпасный клапан: выходной фланец DN 10 Трубное соединение перепускного клапана: внутренняя резьба Rp. Состоящий из: 88007921 88036475 88035487 Код товара: 84814090 Страна происхождения: DE 88109356, VCG 2E40R/40R05NGEWR/2--3/PPZS Type: Air/gas ratio control with two solenoid valves For gas, air and biologically produced methane, with pilot lamp, IP 65, completely assembled and checked for tightness Size: 2 Certification: EU certified Inlet: DN 40 (1 1/2'') Inlet pipe connection: Rp internal thread Outlet: DN 40 (1 1/2'') Outlet pipe connection: Rp internal thread Inlet pressure: pu max. 500 mbar (7 psig) Module 1: 1st valve quick opening, quick closing Module 2: 2nd valve with air/gas ratio control, connection for air control pressure: compression fitting Mains voltage: 230 V~, 50/60 Hz Flow: From left to right Connection boxes: Electrically connected Electrical connection: M20 cable gland Connection material: FItted 1st valve accessories on viewing side: Pressure switch DG 40VC Test point for pressure switch on 1st valve viewing side: Inlet pressure 2nd valve accessories on viewing side: Pressure switch DG 110VC Test point for pressure switch on 2nd valve viewing side: Outlet pressure 1st valve accessories on rear side: 2 screw plugs 2nd valve accessories on rear side: Pilot gas valve VAS 1 Bypass orifice: 5 mm Bypass valve: DN 10 outlet flange Bypass valve pipe connection: Rp internal thread Consisting of: 88007921 88036475 88035487 Commodity code: 84814090 Country of origin: DE
Технические характеристики

Производитель: Kromschröder
Артикул: 88109356