Регулятор соотношения газ/воздух с двумя эл.магнитными клапанами VCG 1E25R/25R05FNGEWR/2-PP/BSPP

Стоимость товара
237594 руб.
Описание товара
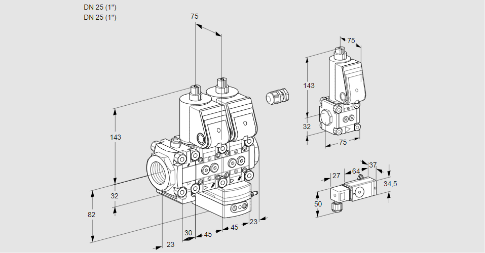
88104966, ВКГ 1Э25Р/25Р05ФНГЭВР/2-ПП/БСПП Тип: Регулятор соотношения воздух/газ с двумя электромагнитными клапанами Для газа, воздуха и метана биологического происхождения, с контрольной лампой, IP 65, полностью собран и проверен на герметичность. Размер: 1 Сертификация: Сертифицирован ЕС Вход: Ду 25 (1 дюйм) Соединение впускной трубы: внутренняя резьба Rp. Выход: Ду 25 (1 дюйм) Соединение выпускной трубы: внутренняя резьба Rp. Давление на входе: pu макс. 500 мбар (7 фунтов на квадратный дюйм, ман.) Модуль 0: Модуль фильтра Модуль 1: 1-й клапан быстрого открытия, быстрого закрытия. Модуль 2: 2-й клапан с регулировкой соотношения воздух/газ, подключение для управления давлением воздуха: компрессионный фитинг Напряжение сети: 230 В~, 50/60 Гц Поток: слева направо Соединительные коробки: электрически подключены Электрическое подключение: кабельный ввод M20. Материал соединения: Встроенное Принадлежности для первого клапана со стороны обзора: Реле давления DG 40VC. Точка проверки реле давления на 1-й стороне обзора клапана: Входное давление Принадлежности для второго клапана со стороны обзора: 2 резьбовые заглушки. Принадлежности 1-го клапана на задней стороне: Перепускной клапан VAS 1. Аксессуары для второго клапана на задней стороне: 2 резьбовые заглушки. Байпасное отверстие: 10 мм Перепускной клапан: глухой фланец на выходе Состоящий из: 88032412 88032413 88000146 88019453 Код товара: 84814090 Страна происхождения: DE 88104966, VCG 1E25R/25R05FNGEWR/2-PP/BSPP Type: Air/gas ratio control with two solenoid valves For gas, air and biologically produced methane, with pilot lamp, IP 65, completely assembled and checked for tightness Size: 1 Certification: EU certified Inlet: DN 25 (1'') Inlet pipe connection: Rp internal thread Outlet: DN 25 (1'') Outlet pipe connection: Rp internal thread Inlet pressure: pu max. 500 mbar (7 psig) Module 0: Filter module Module 1: 1st valve quick opening, quick closing Module 2: 2nd valve with air/gas ratio control, connection for air control pressure: compression fitting Mains voltage: 230 V~, 50/60 Hz Flow: From left to right Connection boxes: Electrically connected Electrical connection: M20 cable gland Connection material: FItted 1st valve accessories on viewing side: Pressure switch DG 40VC Test point for pressure switch on 1st valve viewing side: Inlet pressure 2nd valve accessories on viewing side: 2 screw plugs 1st valve accessories on rear side: Bypass valve VAS 1 2nd valve accessories on rear side: 2 screw plugs Bypass orifice: 10 mm Bypass valve: Blind flange at outlet Consisting of: 88032412 88032413 88000146 88019453 Commodity code: 84814090 Country of origin: DE
Технические характеристики

Производитель: Kromschröder
Артикул: 88104966