Регулятор давления с двумя эл.магнитными клапанами VCD 1E20R/20R05ND-25WR/PPPP/PPZS

Стоимость товара
190623 руб.
Описание товара
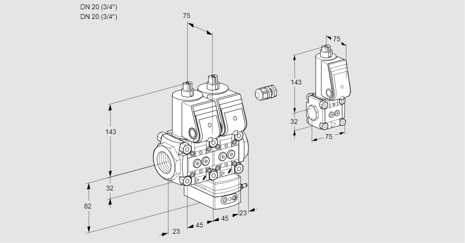
88105874, ВКД 1Е20Р/20Р05НД-25ВР/ПППП/ППЗС Тип: Регулятор давления с двумя электромагнитными клапанами Для газа, воздуха и метана биологического происхождения, с контрольной лампой, IP 65, полностью собран и проверен на герметичность. Размер: 1 Сертификация: Сертифицирован ЕС Вход: Ду 20 (3/4 дюйма) Соединение впускной трубы: внутренняя резьба Rp. Выход: Ду 20 (3/4 дюйма) Соединение выпускной трубы: внутренняя резьба Rp. Давление на входе: pu макс. 500 мбар (7 фунтов на квадратный дюйм, ман.) Модуль 1: 1-й клапан быстрого открытия, быстрого закрытия. Модуль 2: 2-й клапан с регулятором давления, давление на выходе: 2,5-25 мбар. Напряжение сети: 230 В~, 50/60 Гц Поток: слева направо Соединительные коробки: электрически подключены Электрическое подключение: кабельный ввод M20. Материал подключения: Закрытый Принадлежности для первого клапана со стороны обзора: 2 резьбовые заглушки. Принадлежности для второго клапана со стороны обзора: 2 резьбовые заглушки. Принадлежности для первого клапана на задней стороне: 2 резьбовые заглушки. Аксессуары для второго клапана сзади: Пилотный газовый клапан VAS 1. Байпасное отверстие: 10 мм Байпасный клапан: выходной фланец DN 15 Трубное соединение перепускного клапана: внутренняя резьба Rp. Состоящий из: 88007822 88033226 88000398 Код товара: 84814090 Страна происхождения: DE 88105874, VCD 1E20R/20R05ND-25WR/PPPP/PPZS Type: Pressure regulator with two solenoid valves For gas, air and biologically produced methane, with pilot lamp, IP 65, completely assembled and checked for tightness Size: 1 Certification: EU certified Inlet: DN 20 (3/4'') Inlet pipe connection: Rp internal thread Outlet: DN 20 (3/4'') Outlet pipe connection: Rp internal thread Inlet pressure: pu max. 500 mbar (7 psig) Module 1: 1st valve quick opening, quick closing Module 2: 2nd valve with pressure regulator, outlet pressure: 2.5-25 mbar Mains voltage: 230 V~, 50/60 Hz Flow: From left to right Connection boxes: Electrically connected Electrical connection: M20 cable gland Connection material: Enclosed 1st valve accessories on viewing side: 2 screw plugs 2nd valve accessories on viewing side: 2 screw plugs 1st valve accessories on rear side: 2 screw plugs 2nd valve accessories on rear side: Pilot gas valve VAS 1 Bypass orifice: 10 mm Bypass valve: DN 15 outlet flange Bypass valve pipe connection: Rp internal thread Consisting of: 88007822 88033226 88000398 Commodity code: 84814090 Country of origin: DE
Технические характеристики

Производитель: Kromschröder
Артикул: 88105874