Регулятор давления с двумя эл.магнитными клапанами VCD 1E20R/20R05D-100NWSL3/PPBS/PPPP

Стоимость товара
245078 руб.
Описание товара
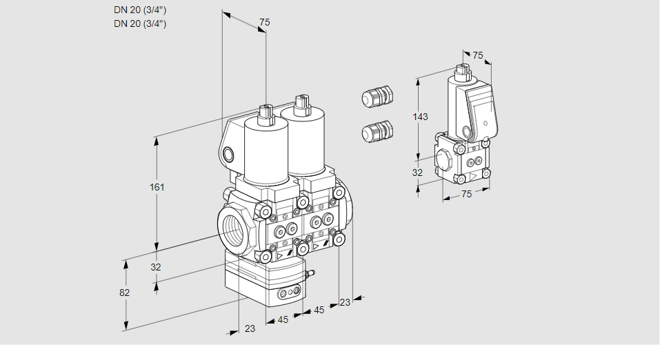
88103369, ВКД 1Э20Р/20Р05Д-100НВСЛ3/ППБС/ПППП Тип: Регулятор давления с двумя электромагнитными клапанами Для газа, воздуха и метана биологического происхождения, с контрольной лампой, IP 65, полностью собран и проверен на герметичность. Размер: 1 Сертификация: Сертифицирован ЕС Вход: Ду 20 (3/4 дюйма) Соединение впускной трубы: внутренняя резьба Rp. Выход: Ду 20 (3/4 дюйма) Соединение выпускной трубы: внутренняя резьба Rp. Давление на входе: pu макс. 500 мбар (7 фунтов на квадратный дюйм, ман.) Модуль 1: 1-й клапан с регулятором давления, давление на выходе: 35-100 мбар. Модуль 2: 2-й клапан быстрого открытия, быстрого закрытия. Напряжение сети: 230 В~, 50/60 Гц Обратная связь: переключатель подтверждения закрытия и визуальный индикатор положения. Поток: справа налево Соединительные коробки: электрически подключены Электрическое подключение: кабельный ввод M20. Электрическое подключение 2-го клапана: кабельный ввод M20. Материал подключения: Закрытый Принадлежности для первого клапана со стороны обзора: 2 резьбовые заглушки. Принадлежности для второго клапана со стороны обзора: 2 резьбовые заглушки. Принадлежности для первого клапана на задней стороне: 2 резьбовые заглушки. Аксессуары для 2-го клапана на задней стороне: Перепускной клапан VAS 1. Байпасное отверстие: 10 мм Перепускной клапан: глухой фланец на выходе Состоящий из: 88031076 88031077 88000112 Код товара: 84814090 Страна происхождения: DE 88103369, VCD 1E20R/20R05D-100NWSL3/PPBS/PPPP Type: Pressure regulator with two solenoid valves For gas, air and biologically produced methane, with pilot lamp, IP 65, completely assembled and checked for tightness Size: 1 Certification: EU certified Inlet: DN 20 (3/4'') Inlet pipe connection: Rp internal thread Outlet: DN 20 (3/4'') Outlet pipe connection: Rp internal thread Inlet pressure: pu max. 500 mbar (7 psig) Module 1: 1st valve with pressure regulator, outlet pressure: 35-100 mbar Module 2: 2nd valve quick opening, quick closing Mains voltage: 230 V~, 50/60 Hz Feedback: Proof of closure switch and visual position indicator Flow: From right to left Connection boxes: Electrically connected Electrical connection: M20 cable gland Electrical connection of 2nd valve: M20 cable gland Connection material: Enclosed 1st valve accessories on viewing side: 2 screw plugs 2nd valve accessories on viewing side: 2 screw plugs 1st valve accessories on rear side: 2 screw plugs 2nd valve accessories on rear side: Bypass valve VAS 1 Bypass orifice: 10 mm Bypass valve: Blind flange at outlet Consisting of: 88031076 88031077 88000112 Commodity code: 84814090 Country of origin: DE
Технические характеристики

Производитель: Kromschröder
Артикул: 88103369