Клапан эл.магнитный сдвоенный VCS 780F05NLWR3E/4-B-/2-PP

Стоимость товара
835391 руб.
Описание товара
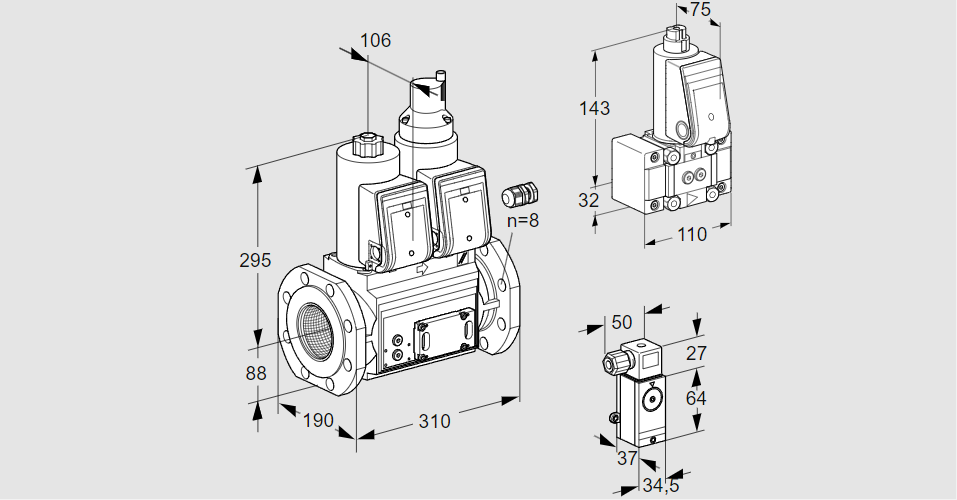
88206548, ВКС 780F05NLWR3E/4-B-/2-ПП Тип: Двойной электромагнитный клапан Для автоматического отключения, закрывается при отсутствии напряжения, для природного газа, сжиженного нефтяного газа и воздуха, класс A по EN 161, с синей контрольной лампой, IP 65, одобрен FM, сертифицирован ЕС. Размер: 7 Номинальный диаметр: Ду 80 Трубное соединение: Фланец по ISO 7005. Давление на входе: pu макс. 500 мбар Свойства открытия, 1-й клапан: Быстрое открытие, быстрое закрытие. Свойства открытия, 2-й клапан: Медленное открытие, быстрое закрытие. Напряжение сети: 230 В~, 50/60 Гц Видовая сторона: Правая Электрическое подключение: кабельный ввод M20. Боковая обработка: подготовлено для переходных пластин. Аксессуары справа, вход: Реле давления DG 300VC Принадлежности справа, промежуточное пространство 1: Нет Принадлежности справа, промежуточное пространство 2: Перепускной клапан VAS 1 Аксессуары, правый, выход: Нет Аксессуары слева, вход: Реле давления DG 40VC Принадлежности слева, интервал 1: нет Принадлежности слева, пространство 2: Резьбовая заглушка Аксессуары, слева, розетка: Резьбовая заглушка Код товара: 84814090 Страна происхождения: DE 88206548, VCS 780F05NLWR3E/4-B-/2-PP Type: Double solenoid valve For automatic shut-off, closed when de-energized, for natural gas, LPG and air, Class A to EN 161, with blue pilot lamp, IP 65, FM approved, EU certified Size: 7 Nominal diameter: DN 80 Pipe connection: Flange to ISO 7005 Inlet pressure: pu max. 500 mbar Opening properties, 1st valve: Quick opening, quick closing Opening properties, 2nd valve: Slow opening, quick closing Mains voltage: 230 V~, 50/60 Hz Viewing side: Right Electrical connection: M20 cable gland Lateral machining: Prepared for adapter plates Accessories, right, inlet: Pressure switch DG 300VC Accessories, right, interspace 1: None Accessories, right, interspace 2: Bypass valve VAS 1 Accessories, right, outle: None Accessories, left, inlet: Pressure switch DG 40VC Accessories, left, interspace 1: None Accessories, left, interspace 2: Screw plug Accessories, left, outlet: Screw plug Commodity code: 84814090 Country of origin: DE
Технические характеристики

Производитель: Kromschröder
Артикул: 88206548