Клапан регулирующий RV 80/OF02K30S8V

Стоимость товара
712995 руб.
Описание товара
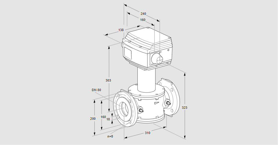
86060961, РВ 80/ОФ02К30С8В Тип: Регулирующий клапан Для управления плавно регулируемыми процессами горелки, линейное соотношение между входным сигналом и расходом, соотношение регулирования 100:1, для газа и воздуха, сертифицировано ЕС. Номинальный диаметр: Ду 80 Седло клапана: О Трубное соединение: Фланец по ISO 7005. Давление на входе: pu макс. 200 мбар Напряжение сети: 24 В= Время работы: 30 с Управление: С шаговым двигателем, биполярное. Уплотнения: уплотнительные элементы из витона. Код товара: 84818059 Страна происхождения: DE 86060961, RV 80/OF02K30S8V Type: Control valve For controlling continuously regulated burner processes, linear ratio between input signal and flow rate, control ratio 100:1, for gas and air, EU certified Nominal diameter: DN 80 Valve seat: O Pipe connection: Flange to ISO 7005 Inlet pressure: pu max. 200 mbar Mains voltage: 24 V= Running time: 30 s Control: With step motor, bipolar Seals: Viton sealing elements Commodity code: 84818059 Country of origin: DE
Технические характеристики

Производитель: Kromschröder
Артикул: 86060961