Заслонка дроссельная DKR 400Z03H100D

Стоимость товара
530348 руб.
Описание товара
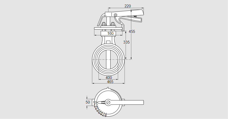
72702170, ДКР 400Z03H100D Тип: Поворотный затвор для воздуха и дымовых газов Для непрерывного контроля скорости потока Номинальный диаметр: Ду 400 Трубное соединение: Для установки между двумя фланцами DIN. Давление на входе: pu макс. 300 мбар Комплект адаптеров: С ручной регулировкой Диапазон температур: 100 °C Исполнение: С зазором диска Код товара: 84818059900 Страна происхождения: DE 72702170, DKR 400Z03H100D Type: Butterfly valve for air and flue gas For continuous control of flow rates Nominal diameter: DN 400 Pipe connection: For fitting between two DIN flanges Inlet pressure: pu max. 300 mbar Adapter set: With manual adjustment Temperature range: 100 °C Design: With disc clearance Commodity code: 84818059900 Country of origin: DE
Технические характеристики

Производитель: Kromschröder
Артикул: 72702170