Датчик-реле давления DL 50AN-61

Стоимость товара
21812 руб.
Описание товара
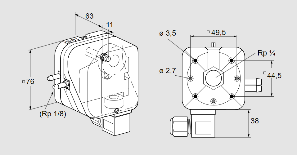
84444531, ДЛ 50АН-61 Тип: Реле давления воздуха Для контроля давления воздуха и дымовых газов, положительного, отрицательного и дифференциального давления, сертифицирован ЕС. Диапазон регулировки: 2,5–50 мбар, может использоваться как «реле давления специальной конструкции». Корпус: с резьбовым соединением Rp 1/4 и трубным соединением с маховиком. Функция: блокируется при падении давления. Электрическое подключение: через 4-контактный штекер с розеткой. Тестовый ключ: 1 Код товара: 90262080 Страна происхождения: DE 84444531, DL 50AN-61 Type: Pressure switch for air For monitoring air and flue gas pressures, for positive pressure, negative pressure and differential pressure, EU certified Adjusting range: 2.5-50 mbar, can be used as ''special-design pressure switch'' Housing: With Rp 1/4 threaded connection and tube connection with hand wheel Function: Locks off with falling pressure Electrical connection: Via 4-pin plug with socket Test key: 1 Commodity code: 90262080 Country of origin: DE
Технические характеристики

Производитель: Kromschröder
Артикул: 84444531