Датчик-реле давления DL 1,5A-3

Стоимость товара
20786 руб.
Описание товара
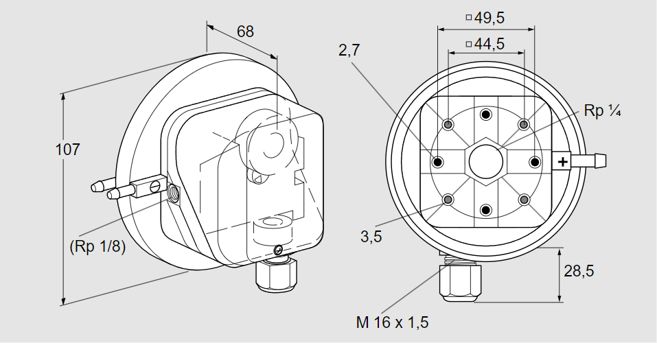
84444411, ДЛ 1,5А-3 Тип: Реле давления воздуха Для контроля давления воздуха и дымовых газов, положительного, отрицательного и дифференциального давления, сертифицирован ЕС. Диапазон регулировки: -0,5-+1,5 мбар Корпус: с резьбовым соединением Rp 1/4 и трубным соединением с маховиком. Электрическое подключение: Через винтовые клеммы. Код товара: 90262080 Страна происхождения: DE 84444411, DL 1,5A-3 Type: Pressure switch for air For monitoring air and flue gas pressures, for positive pressure, negative pressure and differential pressure, EU certified Adjusting range: -0,5-+1,5 mbar Housing: With Rp 1/4 threaded connection and tube connection with hand wheel Electrical connection: Via screw terminals Commodity code: 90262080 Country of origin: DE
Технические характеристики

Производитель: Kromschröder
Артикул: 84444411