Горелка газовая ZIC 200HML-0/35-(41)D

Стоимость товара
1581562 руб.
Описание товара
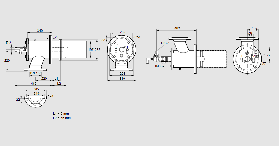
84277614, ЗИК 200ХМЛ-0/35-(41)Д Тип: Газовая горелка с подключением для керамической трубки Размер горелки: 200 Использование: Горячий воздух/высокая температура печи. Тип газа: Для пропана, пропана/бутана, бутана (со смесителем) Вариант: Факел Длина стальной трубы от фланца печи: 0 мм. Расстояние от фланца печи до переднего края головки горелки: 35 мм. Идентификатор головки горелки: 41 Стадия строительства: D Код товара: 84162080 Страна происхождения: DE 84277614, ZIC 200HML-0/35-(41)D Type: Burner for gas, with connection for ceramic tube Burner size: 200 Use: Hot air/high furnace temperature Gas type: For propane, propane/butane, butane (with mixer) Variant: Torch Length of steel tube as of furnace flange: 0 mm Distance from furnace flange to front edge of burner head: 35 mm Burner head identifier: 41 Construction stage: D Commodity code: 84162080 Country of origin: DE
Технические характеристики

Производитель: Kromschröder
Артикул: 84277614