Горелка газовая BIOW 140KB-200/185-(73F)FH

Стоимость товара
1308712 руб.
Описание товара
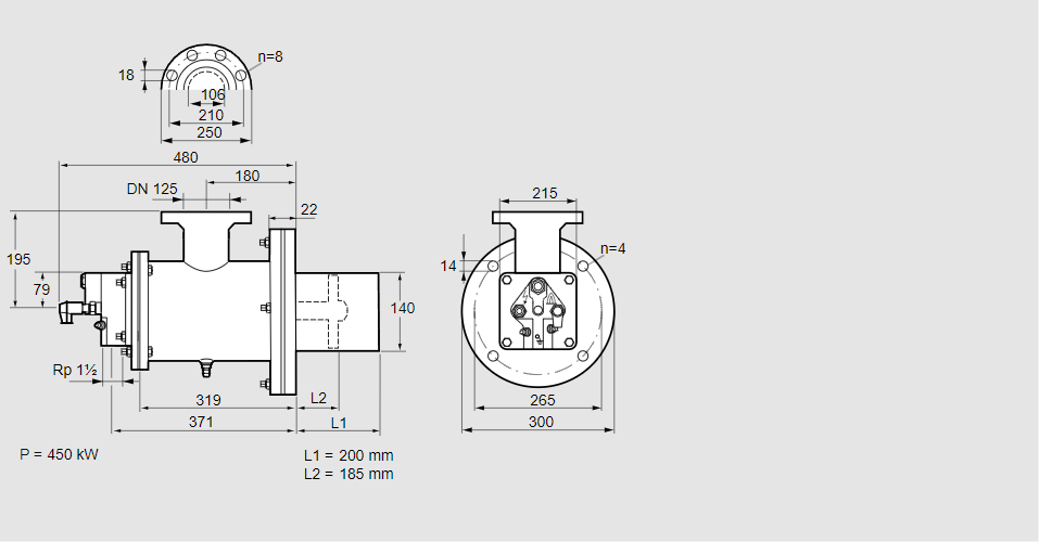
84199384, БИОВ 140КБ-200/185-(73Ф)ФХ Тип: Горелка газовая, с изоляцией из керамического волокна (RCF). Продукт содержит «вещества, вызывающие особую озабоченность» (SVHC) в концентрации > 0,1 % по массе в соответствии с Регламентом REACH. Размер горелки: 140 Использование: Плоское пламя Тип газа: Для природного газа Длина стальной трубы от фланца печи: 200 мм. Расстояние от фланца печи до переднего края головки горелки: 185 мм. Идентификатор головки горелки: 73 Головка горелки: плоское пламя с низким уровнем выбросов NOx и продуваемыми электродами. Стадия строительства: F Специальное использование: высокотемпературная версия Код товара: 84162080 Страна происхождения: DE 84199384, BIOW 140KB-200/185-(73F)FH Type: Burner for gas, with ceramic fibre insulation (RCF). The product contains “Substances of Very High Concern” (SVHCs) in a concentration of > 0.1% w/w pursuant to the REACH Regulation. Burner size: 140 Use: Flat flame Gas type: For natural gas Length of steel tube as of furnace flange: 200 mm Distance from furnace flange to front edge of burner head: 185 mm Burner head identifier: 73 Burner head: Low NOx flat flame with purged electrodes Construction stage: F Special use: High temperature version Commodity code: 84162080 Country of origin: DE
Технические характеристики

Производитель: Kromschröder
Артикул: 84199384