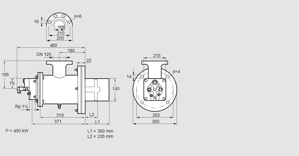
Горелка газовая BIOW 140HBL-300/235-(44)F

Стоимость товара
1218915 руб.
Описание товара
84199156, БИОВ 140ХБЛ-300/235-(44)Ф Тип: Горелка газовая, с изоляцией из керамического волокна (RCF). Продукт содержит «вещества, вызывающие особую озабоченность» (SVHC) в концентрации > 0,1 % по массе в соответствии с Регламентом REACH. Размер горелки: 140 Использование: Горячий воздух/высокая температура печи. Тип газа: Для природного газа Вариант: Факел Длина стальной трубы от фланца печи: 300 мм. Расстояние от фланца печи до переднего края головки горелки: 235 мм. Идентификатор головки горелки: 44 Стадия строительства: F Код товара: 84162080 Страна происхождения: DE 84199156, BIOW 140HBL-300/235-(44)F Type: Burner for gas, with ceramic fibre insulation (RCF). The product contains “Substances of Very High Concern” (SVHCs) in a concentration of > 0.1% w/w pursuant to the REACH Regulation. Burner size: 140 Use: Hot air/high furnace temperature Gas type: For natural gas Variant: Torch Length of steel tube as of furnace flange: 300 mm Distance from furnace flange to front edge of burner head: 235 mm Burner head identifier: 44 Construction stage: F Commodity code: 84162080 Country of origin: DE
Технические характеристики

Производитель: Kromschröder
Артикул: 84199156