Горелка газовая BIOW 125HB-600/535-(2)F

Стоимость товара
965780 руб.
Описание товара
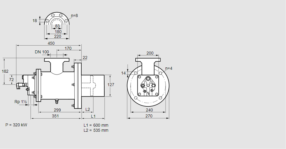
84199222, БИОВ 125ХБ-600/535-(2)Ф Тип: Горелка газовая, с изоляцией из керамического волокна (RCF). Продукт содержит «вещества, вызывающие особую озабоченность» (SVHC) в концентрации > 0,1 % по массе в соответствии с Регламентом REACH. Размер горелки: 125 Использование: Горячий воздух/высокая температура печи. Тип газа: Для природного газа Длина стальной трубы от фланца печи: 600 мм. Расстояние от фланца печи до переднего края головки горелки: 535 мм. Идентификатор головки горелки: 2 Стадия строительства: F Код товара: 84162080 Страна происхождения: DE 84199222, BIOW 125HB-600/535-(2)F Type: Burner for gas, with ceramic fibre insulation (RCF). The product contains “Substances of Very High Concern” (SVHCs) in a concentration of > 0.1% w/w pursuant to the REACH Regulation. Burner size: 125 Use: Hot air/high furnace temperature Gas type: For natural gas Length of steel tube as of furnace flange: 600 mm Distance from furnace flange to front edge of burner head: 535 mm Burner head identifier: 2 Construction stage: F Commodity code: 84162080 Country of origin: DE
Технические характеристики

Производитель: Kromschröder
Артикул: 84199222