Горелка газовая BIOA 65RM-300/185-(71)DB

Описание товара
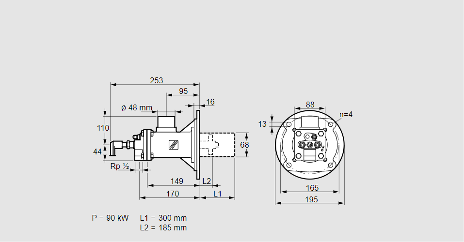
84099902, БИОА 65РМ-300/185-(71)ДБ Тип: Горелка газовая, с алюминиевым корпусом Размер горелки: 65 Использование: Холодный воздух Тип газа: Для пропана, пропана/бутана, бутана (со смесителем) Длина стальной трубы от фланца печи: 300 мм. Расстояние от фланца печи до переднего края головки горелки: 185 мм. Идентификатор головки горелки: 71 Стадия строительства: D Специальное использование: с отверстиями для продувки воздуха. Код товара: 84162080 Страна происхождения: DE 84099902, BIOA 65RM-300/185-(71)DB Type: Burner for gas, with aluminium housing Burner size: 65 Use: Cold air Gas type: For propane, propane/butane, butane (with mixer) Length of steel tube as of furnace flange: 300 mm Distance from furnace flange to front edge of burner head: 185 mm Burner head identifier: 71 Construction stage: D Special use: With purging air bore holes Commodity code: 84162080 Country of origin: DE
Технические характеристики

Производитель: Kromschröder
Артикул: 84099902