Горелка газовая BIOA 65HB-750/635-(34)DB

Стоимость товара
431009 руб.
Описание товара
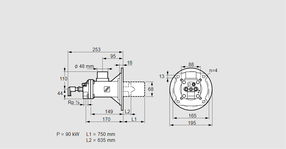
84199354, БИОА 65ХБ-750/635-(34)ДБ Тип: Горелка газовая, с алюминиевым корпусом Размер горелки: 65 Использование: Горячий воздух/высокая температура печи. Тип газа: Для природного газа Длина стальной трубы от фланца печи: 750 мм. Расстояние от фланца печи до переднего края головки горелки: 635 мм. Идентификатор головки горелки: 34 Стадия строительства: D Специальное использование: с отверстиями для продувки воздуха. Код товара: 84162080 Страна происхождения: DE 84199354, BIOA 65HB-750/635-(34)DB Type: Burner for gas, with aluminium housing Burner size: 65 Use: Hot air/high furnace temperature Gas type: For natural gas Length of steel tube as of furnace flange: 750 mm Distance from furnace flange to front edge of burner head: 635 mm Burner head identifier: 34 Construction stage: D Special use: With purging air bore holes Commodity code: 84162080 Country of origin: DE
Технические характеристики

Производитель: Kromschröder
Артикул: 84199354