Горелка газовая BIOA 65HB-300/185-(34)DB

Стоимость товара
335552 руб.
Описание товара
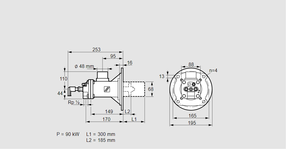
84099860, БИОА 65ХБ-300/185-(34)ДБ Тип: Горелка газовая, с алюминиевым корпусом Размер горелки: 65 Использование: Горячий воздух/высокая температура печи. Тип газа: Для природного газа Длина стальной трубы от фланца печи: 300 мм. Расстояние от фланца печи до переднего края головки горелки: 185 мм. Идентификатор головки горелки: 34 Стадия строительства: D Специальное использование: с отверстиями для продувки воздуха. Код товара: 84162080000 Страна происхождения: DE 84099860, BIOA 65HB-300/185-(34)DB Type: Burner for gas, with aluminium housing Burner size: 65 Use: Hot air/high furnace temperature Gas type: For natural gas Length of steel tube as of furnace flange: 300 mm Distance from furnace flange to front edge of burner head: 185 mm Burner head identifier: 34 Construction stage: D Special use: With purging air bore holes Commodity code: 84162080000 Country of origin: DE
Технические характеристики

Производитель: Kromschröder
Артикул: 84099860