Горелка газовая BIO 80RB-300/135-(6)EB

Стоимость товара
418850 руб.
Описание товара
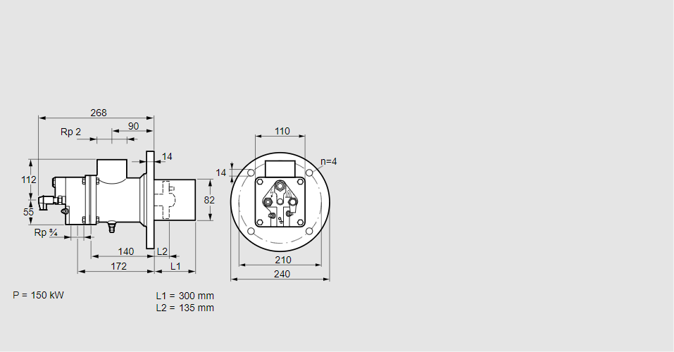
84099336, БИО 80РБ-300/135-(6)ЭБ Тип: Горелка газовая Размер горелки: 80 Использование: Холодный воздух Тип газа: Для природного газа Длина стальной трубы от фланца печи: 300 мм. Расстояние от фланца печи до переднего края головки горелки: 135 мм. Идентификатор головки горелки: 6 Стадия строительства: Е Специальное использование: с отверстиями для продувки воздуха. Код товара: 84162080 Страна происхождения: DE 84099336, BIO 80RB-300/135-(6)EB Type: Burner for gas Burner size: 80 Use: Cold air Gas type: For natural gas Length of steel tube as of furnace flange: 300 mm Distance from furnace flange to front edge of burner head: 135 mm Burner head identifier: 6 Construction stage: E Special use: With purging air bore holes Commodity code: 84162080 Country of origin: DE
Технические характеристики

Производитель: Kromschröder
Артикул: 84099336