Горелка газовая BIO 80RB-100/85-(6)E

Стоимость товара
361847 руб.
Описание товара
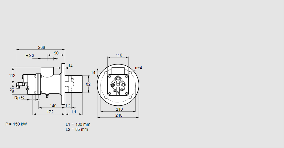
84099316, БИО 80РБ-100/85-(6)Э Тип: Горелка газовая Размер горелки: 80 Использование: Холодный воздух Тип газа: Для природного газа Длина стальной трубы от фланца печи: 100 мм. Расстояние от фланца печи до переднего края головки горелки: 85 мм. Идентификатор головки горелки: 6 Стадия строительства: Е Код товара: 84162080 Страна происхождения: DE 84099316, BIO 80RB-100/85-(6)E Type: Burner for gas Burner size: 80 Use: Cold air Gas type: For natural gas Length of steel tube as of furnace flange: 100 mm Distance from furnace flange to front edge of burner head: 85 mm Burner head identifier: 6 Construction stage: E Commodity code: 84162080 Country of origin: DE
Технические характеристики

Производитель: Kromschröder
Артикул: 84099316