Горелка газовая BIO 80KB-200/185-(8)E

Описание товара
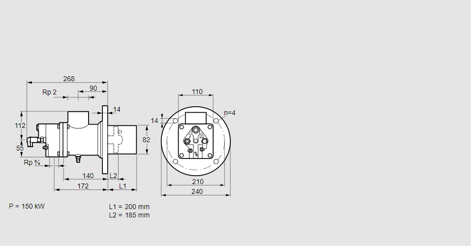
84099006, БИО 80КБ-200/185-(8)Э Тип: Горелка газовая Размер горелки: 80 Использование: Плоское пламя Тип газа: Для природного газа Длина стальной трубы от фланца печи: 200 мм. Расстояние от фланца печи до переднего края головки горелки: 185 мм. Идентификатор головки горелки: 8 Стадия строительства: Е Код товара: 84162080 Страна происхождения: DE 84099006, BIO 80KB-200/185-(8)E Type: Burner for gas Burner size: 80 Use: Flat flame Gas type: For natural gas Length of steel tube as of furnace flange: 200 mm Distance from furnace flange to front edge of burner head: 185 mm Burner head identifier: 8 Construction stage: E Commodity code: 84162080 Country of origin: DE
Технические характеристики

Производитель: Kromschröder
Артикул: 84099006