Горелка газовая BIO 80HM-200/135-(35E)F

Стоимость товара
440029 руб.
Описание товара
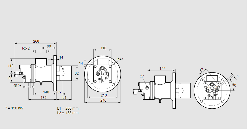
84199345, БИО 80ХМ-200/135-(35Э)Ф Тип: Горелка газовая Размер горелки: 80 Использование: Горячий воздух/высокая температура печи. Тип газа: Для пропана, пропана/бутана, бутана (со смесителем) Длина стальной трубы от фланца печи: 200 мм. Расстояние от фланца печи до переднего края головки горелки: 135 мм. Идентификатор головки горелки: 35 Головка горелки: Термостойкая, с продуваемыми электродами. Стадия строительства: F Код товара: 84162080 Страна происхождения: DE 84199345, BIO 80HM-200/135-(35E)F Type: Burner for gas Burner size: 80 Use: Hot air/high furnace temperature Gas type: For propane, propane/butane, butane (with mixer) Length of steel tube as of furnace flange: 200 mm Distance from furnace flange to front edge of burner head: 135 mm Burner head identifier: 35 Burner head: Heat-resistant, with purged electrodes Construction stage: F Commodity code: 84162080 Country of origin: DE
Технические характеристики

Производитель: Kromschröder
Артикул: 84199345