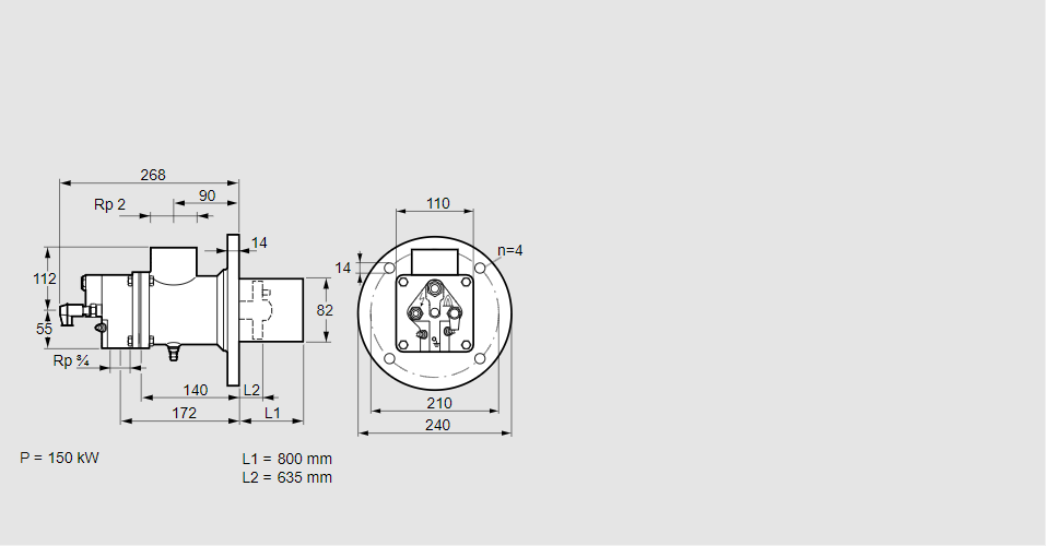
Горелка газовая BIO 80HB-800/635-(16)FB

Стоимость товара
546528 руб.
Описание товара
84199096, БИО 80ХБ-800/635-(16)ФБ Тип: Горелка газовая Размер горелки: 80 Использование: Горячий воздух/высокая температура печи. Тип газа: Для природного газа Длина стальной трубы от фланца печи: 800 мм. Расстояние от фланца печи до переднего края головки горелки: 635 мм. Идентификатор головки горелки: 16 Стадия строительства: F Специальное использование: с отверстиями для продувки воздуха. Код товара: 84162080 Страна происхождения: DE 84199096, BIO 80HB-800/635-(16)FB Type: Burner for gas Burner size: 80 Use: Hot air/high furnace temperature Gas type: For natural gas Length of steel tube as of furnace flange: 800 mm Distance from furnace flange to front edge of burner head: 635 mm Burner head identifier: 16 Construction stage: F Special use: With purging air bore holes Commodity code: 84162080 Country of origin: DE
Технические характеристики

Производитель: Kromschröder
Артикул: 84199096