Горелка газовая BIO 65RM-550/435-(71)EB

Стоимость товара
436785 руб.
Описание товара
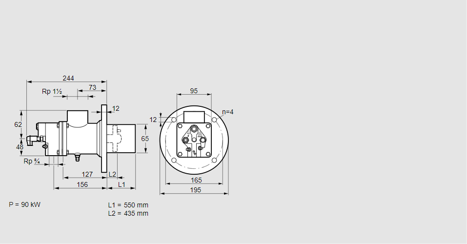
84099513, БИО 65РМ-550/435-(71)ЭБ Тип: Горелка газовая Размер горелки: 65 Использование: Холодный воздух Тип газа: Для пропана, пропана/бутана, бутана (со смесителем) Длина стальной трубы от фланца печи: 550 мм. Расстояние от фланца печи до переднего края головки горелки: 435 мм. Идентификатор головки горелки: 71 Стадия строительства: Е Специальное использование: с отверстиями для продувки воздуха. Код товара: 84162080 Страна происхождения: DE 84099513, BIO 65RM-550/435-(71)EB Type: Burner for gas Burner size: 65 Use: Cold air Gas type: For propane, propane/butane, butane (with mixer) Length of steel tube as of furnace flange: 550 mm Distance from furnace flange to front edge of burner head: 435 mm Burner head identifier: 71 Construction stage: E Special use: With purging air bore holes Commodity code: 84162080 Country of origin: DE
Технические характеристики

Производитель: Kromschröder
Артикул: 84099513