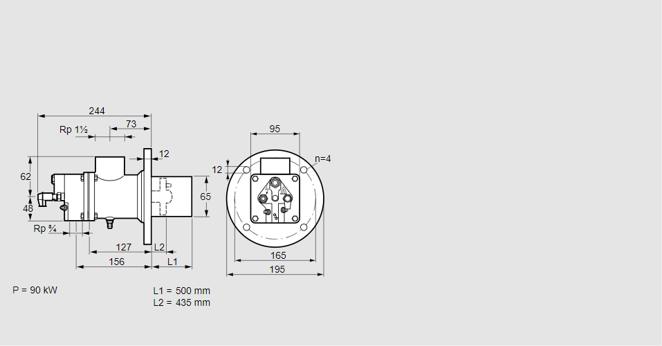
Горелка газовая BIO 65RB-500/435-(37)E

Стоимость товара
422333 руб.
Описание товара
84099020, БИО 65РБ-500/435-(37)Э Тип: Горелка газовая Размер горелки: 65 Использование: Холодный воздух Тип газа: Для природного газа Длина стальной трубы от фланца печи: 500 мм. Расстояние от фланца печи до переднего края головки горелки: 435 мм. Идентификатор головки горелки: 37 Стадия строительства: Е Код товара: 84162080000 Страна происхождения: DE 84099020, BIO 65RB-500/435-(37)E Type: Burner for gas Burner size: 65 Use: Cold air Gas type: For natural gas Length of steel tube as of furnace flange: 500 mm Distance from furnace flange to front edge of burner head: 435 mm Burner head identifier: 37 Construction stage: E Commodity code: 84162080000 Country of origin: DE
Технические характеристики

Производитель: Kromschröder
Артикул: 84099020