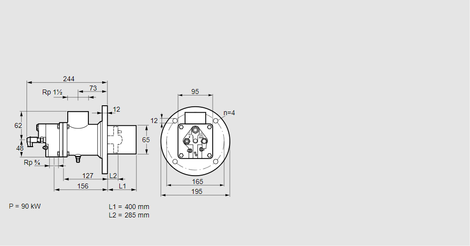
Горелка газовая BIO 65RB-400/285-(37)EB

Стоимость товара
412956 руб.
Описание товара
84099571, БИО 65РБ-400/285-(37)ЭБ Тип: Горелка газовая Размер горелки: 65 Использование: Холодный воздух Тип газа: Для природного газа Длина стальной трубы от фланца печи: 400 мм. Расстояние от фланца печи до переднего края головки горелки: 285 мм. Идентификатор головки горелки: 37 Стадия строительства: Е Специальное использование: с отверстиями для продувки воздуха. Код товара: 84162080000 Страна происхождения: DE 84099571, BIO 65RB-400/285-(37)EB Type: Burner for gas Burner size: 65 Use: Cold air Gas type: For natural gas Length of steel tube as of furnace flange: 400 mm Distance from furnace flange to front edge of burner head: 285 mm Burner head identifier: 37 Construction stage: E Special use: With purging air bore holes Commodity code: 84162080000 Country of origin: DE
Технические характеристики

Производитель: Kromschröder
Артикул: 84099571