Горелка газовая BIO 65KB-50/35-(46)E

Стоимость товара
298066 руб.
Описание товара
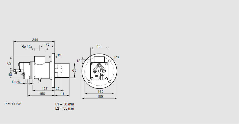
84014116, БИО 65КБ-50/35-(46)Э Тип: Горелка газовая Размер горелки: 65 Использование: Плоское пламя Тип газа: Для природного газа Длина стальной трубы от фланца печи: 50 мм. Расстояние от фланца печи до переднего края головки горелки: 35 мм. Идентификатор головки горелки: 46 Стадия строительства: Е Код товара: 84162080 Страна происхождения: DE 84014116, BIO 65KB-50/35-(46)E Type: Burner for gas Burner size: 65 Use: Flat flame Gas type: For natural gas Length of steel tube as of furnace flange: 50 mm Distance from furnace flange to front edge of burner head: 35 mm Burner head identifier: 46 Construction stage: E Commodity code: 84162080 Country of origin: DE
Технические характеристики

Производитель: Kromschröder
Артикул: 84014116