Горелка газовая BIO 65HM-450/335-(72)EB

Описание товара
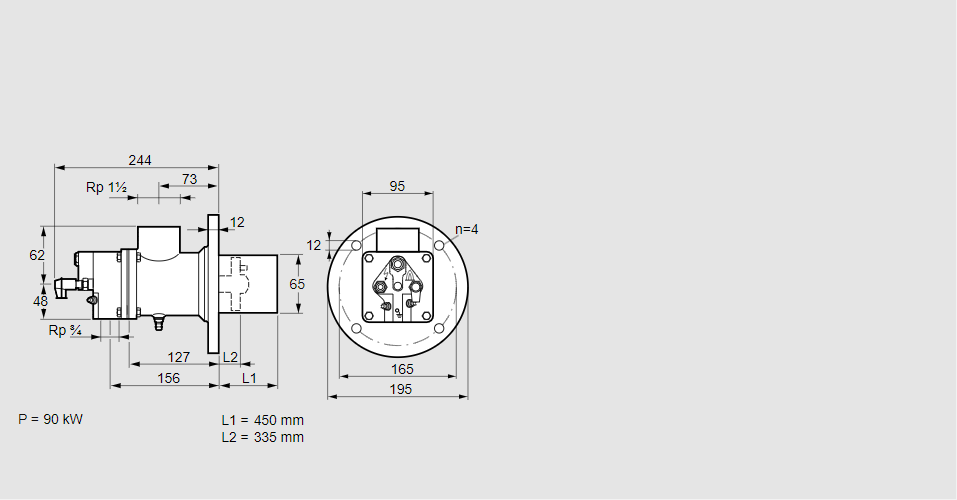
84099176, БИО 65ХМ-450/335-(72)ЭБ Тип: Горелка газовая Размер горелки: 65 Использование: Горячий воздух/высокая температура печи. Тип газа: Для пропана, пропана/бутана, бутана (со смесителем) Длина стальной трубы от фланца печи: 450 мм. Расстояние от фланца печи до переднего края головки горелки: 335 мм. Идентификатор головки горелки: 72 Стадия строительства: Е Специальное использование: с отверстиями для продувки воздуха. Код товара: 84162080 Страна происхождения: DE 84099176, BIO 65HM-450/335-(72)EB Type: Burner for gas Burner size: 65 Use: Hot air/high furnace temperature Gas type: For propane, propane/butane, butane (with mixer) Length of steel tube as of furnace flange: 450 mm Distance from furnace flange to front edge of burner head: 335 mm Burner head identifier: 72 Construction stage: E Special use: With purging air bore holes Commodity code: 84162080 Country of origin: DE
Технические характеристики

Производитель: Kromschröder
Артикул: 84099176