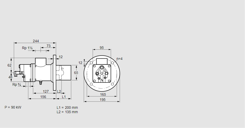
Горелка газовая BIO 65HD-200/135-(98)F

Стоимость товара
322708 руб.
Описание товара
84014224, БИО 65HD-200/135-(98)Ф Тип: Горелка газовая Размер горелки: 65 Использование: Горячий воздух/высокая температура печи. Тип газа: Для коксового газа, городского газа Длина стальной трубы от фланца печи: 200 мм. Расстояние от фланца печи до переднего края головки горелки: 135 мм. Идентификатор головки горелки: 98 Стадия строительства: F Код товара: 84162080 Страна происхождения: DE 84014224, BIO 65HD-200/135-(98)F Type: Burner for gas Burner size: 65 Use: Hot air/high furnace temperature Gas type: For coke oven gas, town gas Length of steel tube as of furnace flange: 200 mm Distance from furnace flange to front edge of burner head: 135 mm Burner head identifier: 98 Construction stage: F Commodity code: 84162080 Country of origin: DE
Технические характеристики

Производитель: Kromschröder
Артикул: 84014224