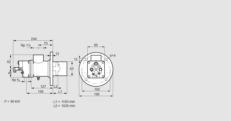
Горелка газовая BIO 65HD-1150/1035-(98B)DB

Стоимость товара
600623 руб.
Описание товара
84099919, БИО 65HD-1150/1035-(98B)ДБ Тип: Горелка газовая Размер горелки: 65 Использование: Горячий воздух/высокая температура печи. Тип газа: Для коксового газа, городского газа Длина стальной трубы от фланца печи: 1150 мм. Расстояние от фланца печи до переднего края головки горелки: 1035 мм. Идентификатор головки горелки: 98 Головка горелки: устойчивая к сере Стадия строительства: D Специальное использование: с отверстиями для продувки воздуха. Код товара: 84162080 Страна происхождения: DE 84099919, BIO 65HD-1150/1035-(98B)DB Type: Burner for gas Burner size: 65 Use: Hot air/high furnace temperature Gas type: For coke oven gas, town gas Length of steel tube as of furnace flange: 1150 mm Distance from furnace flange to front edge of burner head: 1035 mm Burner head identifier: 98 Burner head: Sulphur-resistant Construction stage: D Special use: With purging air bore holes Commodity code: 84162080 Country of origin: DE
Технические характеристики

Производитель: Kromschröder
Артикул: 84099919