Горелка газовая BIO 65HB-900/835-(34)E

Стоимость товара
489025 руб.
Описание товара
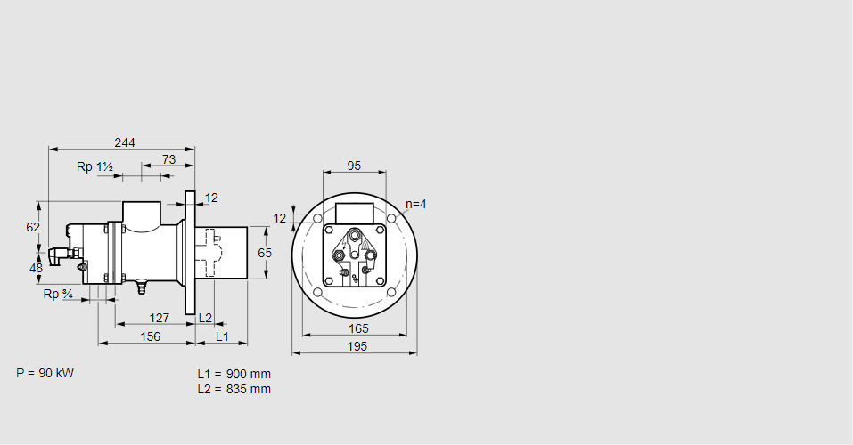
84014094, БИО 65ХБ-900/835-(34)Э Тип: Горелка газовая Размер горелки: 65 Использование: Горячий воздух/высокая температура печи. Тип газа: Для природного газа Длина стальной трубы от фланца печи: 900 мм. Расстояние от фланца печи до переднего края головки горелки: 835 мм. Идентификатор головки горелки: 34 Стадия строительства: Е Код товара: 84162080 Страна происхождения: DE 84014094, BIO 65HB-900/835-(34)E Type: Burner for gas Burner size: 65 Use: Hot air/high furnace temperature Gas type: For natural gas Length of steel tube as of furnace flange: 900 mm Distance from furnace flange to front edge of burner head: 835 mm Burner head identifier: 34 Construction stage: E Commodity code: 84162080 Country of origin: DE
Технические характеристики

Производитель: Kromschröder
Артикул: 84014094