Горелка газовая BIO 65HB-200/135-(34A)E

Стоимость товара
335104 руб.
Описание товара
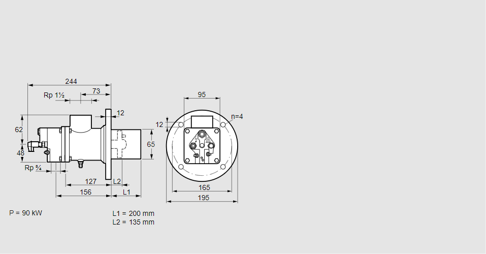
84099565, БИО 65ХБ-200/135-(34А)Е Тип: Горелка газовая Размер горелки: 65 Использование: Горячий воздух/высокая температура печи. Тип газа: Для природного газа Длина стальной трубы от фланца печи: 200 мм. Расстояние от фланца печи до переднего края головки горелки: 135 мм. Идентификатор головки горелки: 34 Головка горелки: термостойкая Стадия строительства: Е Код товара: 84162080 Страна происхождения: DE 84099565, BIO 65HB-200/135-(34A)E Type: Burner for gas Burner size: 65 Use: Hot air/high furnace temperature Gas type: For natural gas Length of steel tube as of furnace flange: 200 mm Distance from furnace flange to front edge of burner head: 135 mm Burner head identifier: 34 Burner head: Heat-resistant Construction stage: E Commodity code: 84162080 Country of origin: DE
Технические характеристики

Производитель: Kromschröder
Артикул: 84099565