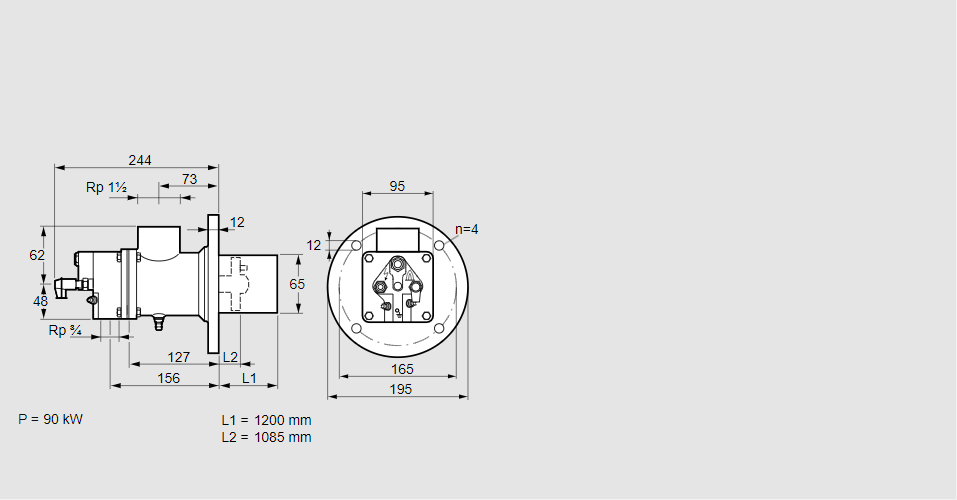
Горелка газовая BIO 65HB-1200/1085-(34)EB

Стоимость товара
602194 руб.
Описание товара
84199185, БИО 65ХБ-1200/1085-(34)ЭБ Тип: Горелка газовая Размер горелки: 65 Использование: Горячий воздух/высокая температура печи. Тип газа: Для природного газа Длина стальной трубы от фланца печи: 1200 мм. Расстояние от фланца печи до переднего края головки горелки: 1085 мм. Идентификатор головки горелки: 34 Стадия строительства: Е Специальное использование: с отверстиями для продувки воздуха. Код товара: 84162080 Страна происхождения: DE 84199185, BIO 65HB-1200/1085-(34)EB Type: Burner for gas Burner size: 65 Use: Hot air/high furnace temperature Gas type: For natural gas Length of steel tube as of furnace flange: 1200 mm Distance from furnace flange to front edge of burner head: 1085 mm Burner head identifier: 34 Construction stage: E Special use: With purging air bore holes Commodity code: 84162080 Country of origin: DE
Технические характеристики

Производитель: Kromschröder
Артикул: 84199185