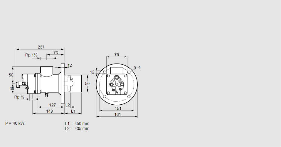
Горелка газовая BIO 50RG-450/435-(40)D

Стоимость товара
356940 руб.
Описание товара
84015553, БИО 50РГ-450/435-(40)Д Тип: Горелка газовая Размер горелки: 50 Использование: Холодный воздух Тип газа: Для пропана, пропана/бутана, бутана Длина стальной трубы от фланца печи: 450 мм. Расстояние от фланца печи до переднего края головки горелки: 435 мм. Идентификатор головки горелки: 40 Стадия строительства: D Код товара: 84162080 Страна происхождения: DE 84015553, BIO 50RG-450/435-(40)D Type: Burner for gas Burner size: 50 Use: Cold air Gas type: For propane, propane/butane, butane Length of steel tube as of furnace flange: 450 mm Distance from furnace flange to front edge of burner head: 435 mm Burner head identifier: 40 Construction stage: D Commodity code: 84162080 Country of origin: DE
Технические характеристики

Производитель: Kromschröder
Артикул: 84015553