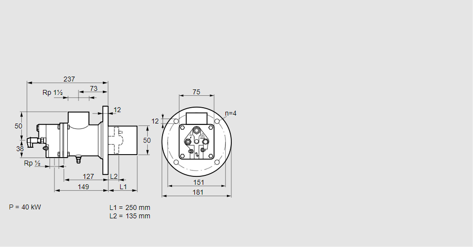
Горелка газовая BIO 50RG-250/135-(40)DB

Стоимость товара
332067 руб.
Описание товара
84199351, БИО 50РГ-250/135-(40)ДБ Тип: Горелка газовая Размер горелки: 50 Использование: Холодный воздух Тип газа: Для пропана, пропана/бутана, бутана Длина стальной трубы от фланца печи: 250 мм. Расстояние от фланца печи до переднего края головки горелки: 135 мм. Идентификатор головки горелки: 40 Стадия строительства: D Специальное использование: с отверстиями для продувки воздуха. Код товара: 84162080 Страна происхождения: DE 84199351, BIO 50RG-250/135-(40)DB Type: Burner for gas Burner size: 50 Use: Cold air Gas type: For propane, propane/butane, butane Length of steel tube as of furnace flange: 250 mm Distance from furnace flange to front edge of burner head: 135 mm Burner head identifier: 40 Construction stage: D Special use: With purging air bore holes Commodity code: 84162080 Country of origin: DE
Технические характеристики

Производитель: Kromschröder
Артикул: 84199351