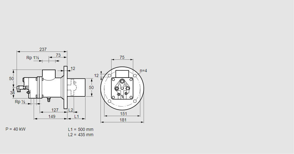
Горелка газовая BIO 50HB-500/435-(37A)D

Стоимость товара
367638 руб.
Описание товара
84199217, БИО 50ХБ-500/435-(37А)Д Тип: Горелка газовая Размер горелки: 50 Использование: Горячий воздух/высокая температура печи. Тип газа: Для природного газа Длина стальной трубы от фланца печи: 500 мм. Расстояние от фланца печи до переднего края головки горелки: 435 мм. Идентификатор головки горелки: 37 Головка горелки: термостойкая Стадия строительства: D Код товара: 84162080000 Страна происхождения: DE 84199217, BIO 50HB-500/435-(37A)D Type: Burner for gas Burner size: 50 Use: Hot air/high furnace temperature Gas type: For natural gas Length of steel tube as of furnace flange: 500 mm Distance from furnace flange to front edge of burner head: 435 mm Burner head identifier: 37 Burner head: Heat-resistant Construction stage: D Commodity code: 84162080000 Country of origin: DE
Технические характеристики

Производитель: Kromschröder
Артикул: 84199217