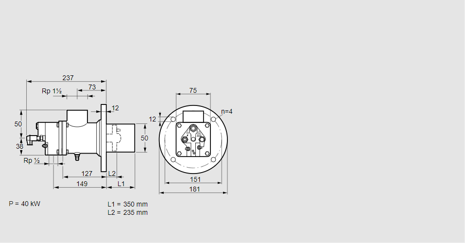
Горелка газовая BIO 50HB-350/235-(37)DB

Стоимость товара
353147 руб.
Описание товара
84199113, БИО 50ХБ-350/235-(37)ДБ Тип: Горелка газовая Размер горелки: 50 Использование: Горячий воздух/высокая температура печи. Тип газа: Для природного газа Длина стальной трубы от фланца печи: 350 мм. Расстояние от фланца печи до переднего края головки горелки: 235 мм. Идентификатор головки горелки: 37 Стадия строительства: D Специальное использование: с отверстиями для продувки воздуха. Код товара: 84162080000 Страна происхождения: DE 84199113, BIO 50HB-350/235-(37)DB Type: Burner for gas Burner size: 50 Use: Hot air/high furnace temperature Gas type: For natural gas Length of steel tube as of furnace flange: 350 mm Distance from furnace flange to front edge of burner head: 235 mm Burner head identifier: 37 Construction stage: D Special use: With purging air bore holes Commodity code: 84162080000 Country of origin: DE
Технические характеристики

Производитель: Kromschröder
Артикул: 84199113