Горелка газовая BIO 50HB-1400/1335-(37)D

Стоимость товара
546050 руб.
Описание товара
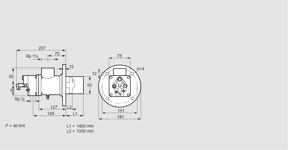
84199307, БИО 50ХБ-1400/1335-(37)Д Тип: Горелка газовая Размер горелки: 50 Использование: Горячий воздух/высокая температура печи. Тип газа: Для природного газа Длина стальной трубы до фланца печи: 1400 мм. Расстояние от фланца печи до переднего края головки горелки: 1335 мм. Идентификатор головки горелки: 37 Стадия строительства: D Код товара: 84162080 Страна происхождения: DE 84199307, BIO 50HB-1400/1335-(37)D Type: Burner for gas Burner size: 50 Use: Hot air/high furnace temperature Gas type: For natural gas Length of steel tube as of furnace flange: 1400 mm Distance from furnace flange to front edge of burner head: 1335 mm Burner head identifier: 37 Construction stage: D Commodity code: 84162080 Country of origin: DE
Технические характеристики

Производитель: Kromschröder
Артикул: 84199307