Горелка газовая BIO 125RB-50/35-(15)E

Стоимость товара
571266 руб.
Описание товара
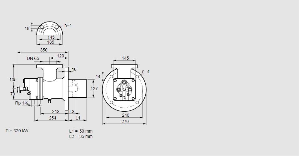
84023017, БИО 125РБ-50/35-(15)Э Тип: Горелка газовая Размер горелки: 125 Использование: Холодный воздух Тип газа: Для природного газа Длина стальной трубы от фланца печи: 50 мм. Расстояние от фланца печи до переднего края головки горелки: 35 мм. Идентификатор головки горелки: 15 Стадия строительства: Е Код товара: 84162080 Страна происхождения: DE 84023017, BIO 125RB-50/35-(15)E Type: Burner for gas Burner size: 125 Use: Cold air Gas type: For natural gas Length of steel tube as of furnace flange: 50 mm Distance from furnace flange to front edge of burner head: 35 mm Burner head identifier: 15 Construction stage: E Commodity code: 84162080 Country of origin: DE
Технические характеристики

Производитель: Kromschröder
Артикул: 84023017