Горелка газовая BIO 125HD-100/35-(22)E

Описание товара
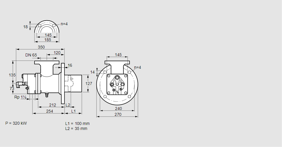
84023018, БИО 125HD-100/35-(22)Э Тип: Горелка газовая Размер горелки: 125 Использование: Горячий воздух/высокая температура печи. Тип газа: Для коксового газа, городского газа Длина стальной трубы от фланца печи: 100 мм. Расстояние от фланца печи до переднего края головки горелки: 35 мм. Идентификатор головки горелки: 22 Стадия строительства: Е Код товара: 84162080000 Страна происхождения: DE 84023018, BIO 125HD-100/35-(22)E Type: Burner for gas Burner size: 125 Use: Hot air/high furnace temperature Gas type: For coke oven gas, town gas Length of steel tube as of furnace flange: 100 mm Distance from furnace flange to front edge of burner head: 35 mm Burner head identifier: 22 Construction stage: E Commodity code: 84162080000 Country of origin: DE
Технические характеристики

Производитель: Kromschröder
Артикул: 84023018