Горелка газовая BIO 125HB-100/35-(2)E

Стоимость товара
572827 руб.
Описание товара
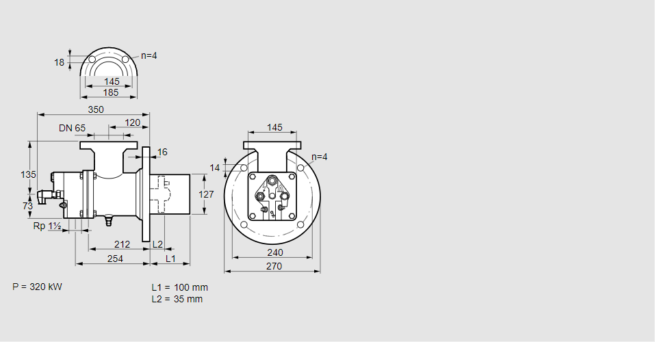
84023014, БИО 125ХБ-100/35-(2)Э Тип: Горелка газовая Размер горелки: 125 Использование: Горячий воздух/высокая температура печи. Тип газа: Для природного газа Длина стальной трубы от фланца печи: 100 мм. Расстояние от фланца печи до переднего края головки горелки: 35 мм. Идентификатор головки горелки: 2 Стадия строительства: Е Код товара: 84162080 Страна происхождения: DE 84023014, BIO 125HB-100/35-(2)E Type: Burner for gas Burner size: 125 Use: Hot air/high furnace temperature Gas type: For natural gas Length of steel tube as of furnace flange: 100 mm Distance from furnace flange to front edge of burner head: 35 mm Burner head identifier: 2 Construction stage: E Commodity code: 84162080 Country of origin: DE
Технические характеристики

Производитель: Kromschröder
Артикул: 84023014