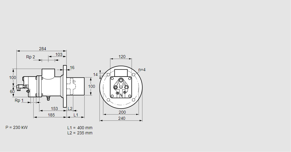
Горелка газовая BIO 100RFR-400/235-(107)EB

Стоимость товара
500450 руб.
Описание товара
84099635, БИО 100РФР-400/235-(107)ЕВ Тип: Горелка газовая Размер горелки: 100 Использование: Холодный воздух Тип газа: Для метана, полученного биологическим путем Вариант: уменьшенная емкость (BIC: выберите керамическую трубку согласно информации в брошюре) Длина стальной трубы от фланца печи: 400 мм. Расстояние от фланца печи до переднего края головки горелки: 235 мм. Идентификатор головки горелки: 107 Стадия строительства: Е Специальное использование: с отверстиями для продувки воздуха. Код товара: 84162080 Страна происхождения: DE 84099635, BIO 100RFR-400/235-(107)EB Type: Burner for gas Burner size: 100 Use: Cold air Gas type: For biologically produced methane Variant: Reduced capacity (BIC: select ceramic tube according to brochure information) Length of steel tube as of furnace flange: 400 mm Distance from furnace flange to front edge of burner head: 235 mm Burner head identifier: 107 Construction stage: E Special use: With purging air bore holes Commodity code: 84162080 Country of origin: DE
Технические характеристики

Производитель: Kromschröder
Артикул: 84099635