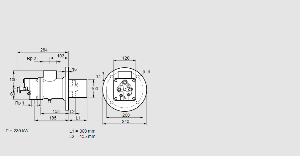
Горелка газовая BIO 100RD-300/135-(39)EB

Стоимость товара
466803 руб.
Описание товара
84099070, БИО 100РД-300/135-(39)ЭБ Тип: Горелка газовая Размер горелки: 100 Использование: Холодный воздух Тип газа: Для коксового газа, городского газа Длина стальной трубы от фланца печи: 300 мм. Расстояние от фланца печи до переднего края головки горелки: 135 мм. Идентификатор головки горелки: 39 Стадия строительства: Е Специальное использование: с отверстиями для продувки воздуха. Код товара: 84162080 Страна происхождения: DE 84099070, BIO 100RD-300/135-(39)EB Type: Burner for gas Burner size: 100 Use: Cold air Gas type: For coke oven gas, town gas Length of steel tube as of furnace flange: 300 mm Distance from furnace flange to front edge of burner head: 135 mm Burner head identifier: 39 Construction stage: E Special use: With purging air bore holes Commodity code: 84162080 Country of origin: DE
Технические характеристики

Производитель: Kromschröder
Артикул: 84099070