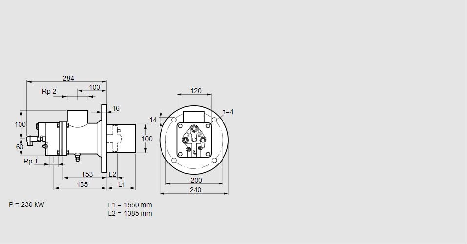
Горелка газовая BIO 100RB-1550/1385-(109)EB

Стоимость товара
825087 руб.
Описание товара
84199325, БИО 100РБ-1550/1385-(109)ЭБ Тип: Горелка газовая Размер горелки: 100 Использование: Холодный воздух Тип газа: Для природного газа Длина стальной трубы от фланца печи: 1550 мм. Расстояние от фланца печи до переднего края головки горелки: 1385 мм. Идентификатор головки горелки: 109 Стадия строительства: Е Специальное использование: с отверстиями для продувки воздуха. Код товара: 84162080 Страна происхождения: DE 84199325, BIO 100RB-1550/1385-(109)EB Type: Burner for gas Burner size: 100 Use: Cold air Gas type: For natural gas Length of steel tube as of furnace flange: 1550 mm Distance from furnace flange to front edge of burner head: 1385 mm Burner head identifier: 109 Construction stage: E Special use: With purging air bore holes Commodity code: 84162080 Country of origin: DE
Технические характеристики

Производитель: Kromschröder
Артикул: 84199325