Горелка газовая BIO 100HD-300/135-(115)FB

Стоимость товара
473218 руб.
Описание товара
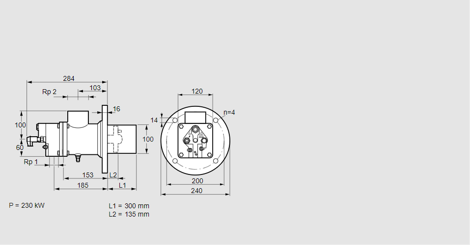
84099543, БИО 100HD-300/135-(115)ФБ Тип: Горелка газовая Размер горелки: 100 Использование: Горячий воздух/высокая температура печи. Тип газа: Для коксового газа, городского газа Длина стальной трубы от фланца печи: 300 мм. Расстояние от фланца печи до переднего края головки горелки: 135 мм. Идентификатор головки горелки: 115 Стадия строительства: F Специальное использование: с отверстиями для продувки воздуха. Код товара: 84162080 Страна происхождения: DE 84099543, BIO 100HD-300/135-(115)FB Type: Burner for gas Burner size: 100 Use: Hot air/high furnace temperature Gas type: For coke oven gas, town gas Length of steel tube as of furnace flange: 300 mm Distance from furnace flange to front edge of burner head: 135 mm Burner head identifier: 115 Construction stage: F Special use: With purging air bore holes Commodity code: 84162080 Country of origin: DE
Технические характеристики

Производитель: Kromschröder
Артикул: 84099543