Горелка газовая BIO 100HB-350/285-(37)E

Описание товара
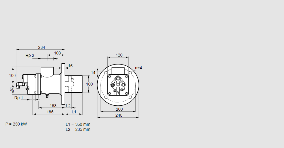
84099209, БИО 100ХБ-350/285-(37)Э Тип: Горелка газовая Размер горелки: 100 Использование: Горячий воздух/высокая температура печи. Тип газа: Для природного газа Длина стальной трубы от фланца печи: 350 мм. Расстояние от фланца печи до переднего края головки горелки: 285 мм. Идентификатор головки горелки: 37 Стадия строительства: Е Код товара: 84162080000 Страна происхождения: DE 84099209, BIO 100HB-350/285-(37)E Type: Burner for gas Burner size: 100 Use: Hot air/high furnace temperature Gas type: For natural gas Length of steel tube as of furnace flange: 350 mm Distance from furnace flange to front edge of burner head: 285 mm Burner head identifier: 37 Construction stage: E Commodity code: 84162080000 Country of origin: DE
Технические характеристики

Производитель: Kromschröder
Артикул: 84099209