Горелка газовая BIO 100HB-100/35-(37)E

Стоимость товара
383745 руб.
Описание товара
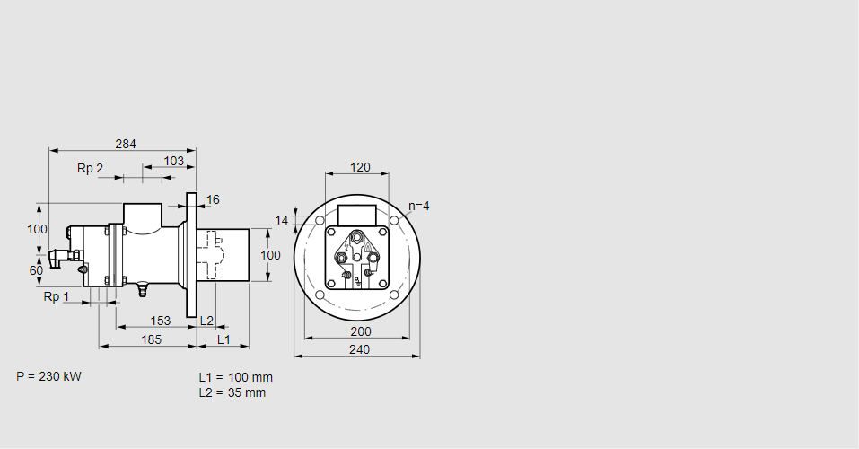
84012014, БИО 100ХБ-100/35-(37)Э Тип: Горелка газовая Размер горелки: 100 Использование: Горячий воздух/высокая температура печи. Тип газа: Для природного газа Длина стальной трубы от фланца печи: 100 мм. Расстояние от фланца печи до переднего края головки горелки: 35 мм. Идентификатор головки горелки: 37 Стадия строительства: Е Код товара: 84162080 Страна происхождения: DE 84012014, BIO 100HB-100/35-(37)E Type: Burner for gas Burner size: 100 Use: Hot air/high furnace temperature Gas type: For natural gas Length of steel tube as of furnace flange: 100 mm Distance from furnace flange to front edge of burner head: 35 mm Burner head identifier: 37 Construction stage: E Commodity code: 84162080 Country of origin: DE
Технические характеристики

Производитель: Kromschröder
Артикул: 84012014