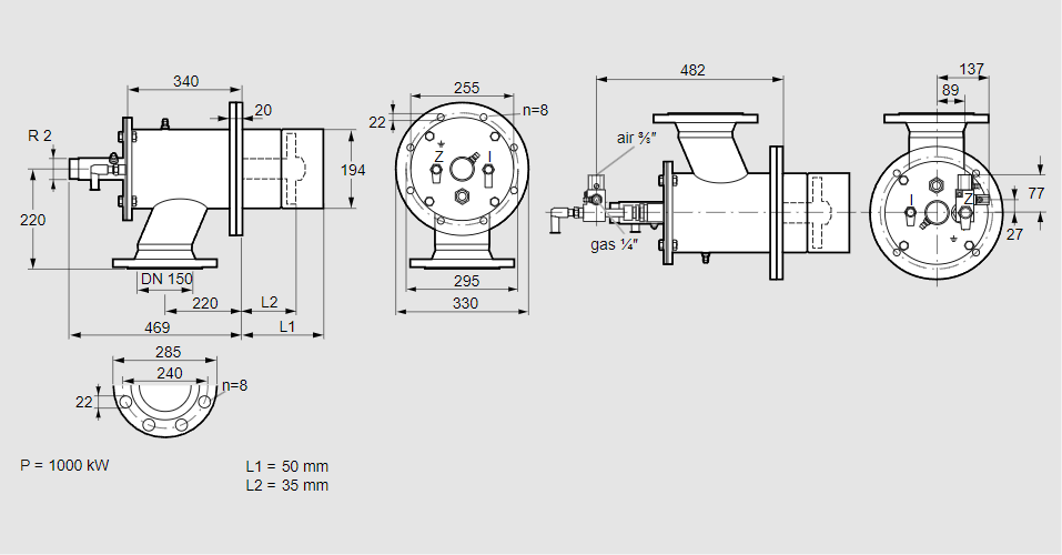
ZIO 200RBL-50/35-(25)D

Стоимость товара
1586610 руб.
Описание товара
84277067, ЗИО 200РБЛ-50/35-(25)Д Тип: Горелка газовая Размер горелки: 200 Использование: Холодный воздух Тип газа: Для природного газа Вариант: Факел Длина стальной трубы от фланца печи: 50 мм. Расстояние от фланца печи до переднего края головки горелки: 35 мм. Идентификатор головки горелки: 25 Стадия строительства: D Код товара: 84162080 Страна происхождения: DE 84277067, ZIO 200RBL-50/35-(25)D Type: Burner for gas Burner size: 200 Use: Cold air Gas type: For natural gas Variant: Torch Length of steel tube as of furnace flange: 50 mm Distance from furnace flange to front edge of burner head: 35 mm Burner head identifier: 25 Construction stage: D Commodity code: 84162080 Country of origin: DE
Технические характеристики

Производитель: Kromschröder
Артикул: 84277067