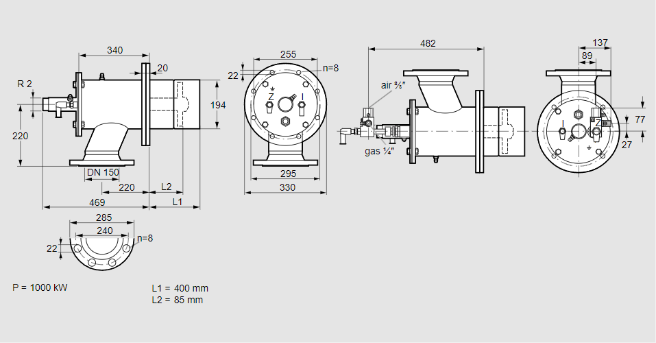
ZIO 200HBL-400/85-(23)DB

Стоимость товара
1935150 руб.
Описание товара
84099647, ЗИО 200ХБЛ-400/85-(23)ДБ Тип: Горелка газовая Размер горелки: 200 Использование: Горячий воздух/высокая температура печи. Тип газа: Для природного газа Вариант: Факел Длина стальной трубы от фланца печи: 400 мм. Расстояние от фланца печи до переднего края головки горелки: 85 мм. Идентификатор головки горелки: 23 Стадия строительства: D Специальное использование: с отверстиями для продувки воздуха. Код товара: 84162080 Страна происхождения: DE 84099647, ZIO 200HBL-400/85-(23)DB Type: Burner for gas Burner size: 200 Use: Hot air/high furnace temperature Gas type: For natural gas Variant: Torch Length of steel tube as of furnace flange: 400 mm Distance from furnace flange to front edge of burner head: 85 mm Burner head identifier: 23 Construction stage: D Special use: With purging air bore holes Commodity code: 84162080 Country of origin: DE
Технические характеристики

Производитель: Kromschröder
Артикул: 84099647