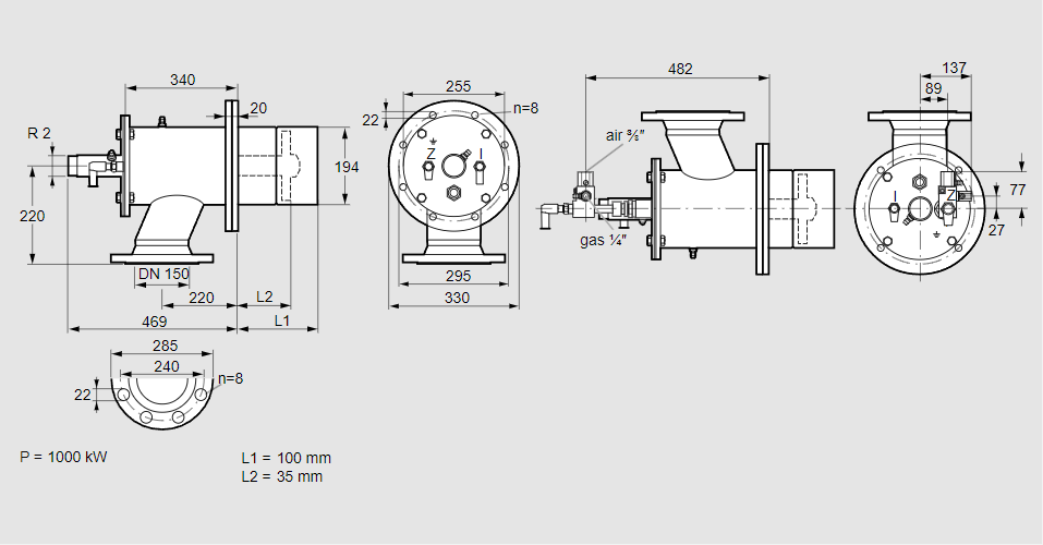
ZIO 200HBL-100/35-(23)D

Стоимость товара
1586610 руб.
Описание товара
84277064, ЗИО 200ХБЛ-100/35-(23)Д Тип: Горелка газовая Размер горелки: 200 Использование: Горячий воздух/высокая температура печи. Тип газа: Для природного газа Вариант: Факел Длина стальной трубы от фланца печи: 100 мм. Расстояние от фланца печи до переднего края головки горелки: 35 мм. Идентификатор головки горелки: 23 Стадия строительства: D Код товара: 84162080000 Страна происхождения: DE 84277064, ZIO 200HBL-100/35-(23)D Type: Burner for gas Burner size: 200 Use: Hot air/high furnace temperature Gas type: For natural gas Variant: Torch Length of steel tube as of furnace flange: 100 mm Distance from furnace flange to front edge of burner head: 35 mm Burner head identifier: 23 Construction stage: D Commodity code: 84162080000 Country of origin: DE
Технические характеристики

Производитель: Kromschröder
Артикул: 84277064