ECOMAX 4M545-SB/D-(31)B-

Описание товара
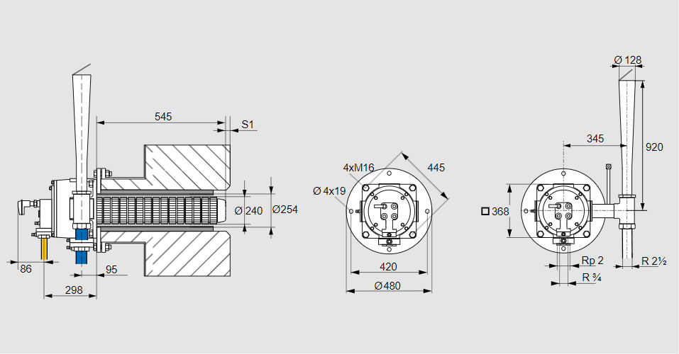
21802384, ЭКОМАКС 4М545-СБ/Д-(31)Б- Тип: Саморекуперативная газовая горелка. Для обогрева печных систем Размер горелок: 4, номинальная мощность: 180 кВт. Рекуператор: С рекуператором из литой стальной ребристой трубы. Длина рекуператора: 545 мм Использование: При поэтапном сжигании. Тип газа: Для природного газа Тип нагрева: Для прямого нагрева с эдуктором. Идентификатор головки горелки: (31) Стадия строительства: Б Код товара: 84162080 Страна происхождения: DE 21802384, ECOMAX 4M545-SB/D-(31)B- Type: Self recuperative burner for gas For heating of furnace systems Burner size: 4, rated capacity: 180 kW Recuperator: With cast steel ribbed tube recuperator Recuperator length: 545 mm Use: With staged combustion Gas type: For natural gas Type of heating: For direct heating with eductor Burner head identifier: (31) Construction stage: B Commodity code: 84162080 Country of origin: DE
Технические характеристики

Производитель: Kromschröder
Артикул: 21802384